概述 --- 在三相逆变器用开关电源中,电源的工作方式有两种,一种是应用工频变压器供电,另一种是应用开关稳压电源供电。随着微电子和电力电子技术的发展,它们都毫无例外地使用开关电源。开关电源具有重量轻、体积小、效率高、稳压范围宽等优点,正朝着短、小、轻、薄、单片集成化、智能化的方向发展。美国PowerIntegrations公司在2001年初开发的单片开关电源集成芯片TOP247Y属于该公司第四代单片开关电源集成电路TOPSwitch-GX系列。该系列产品除具备TOPSwitch-FX系列的全部优点之外,还将最大输出功率从75W扩展到250W,适合构成大、中功率的高效率、隔离式开关电源。它的开关频率高达132kHz,这有助于减小高频变压器及整个开关电源的体积。本文介绍了一种基于TOP247Y的多路开关稳压电源,其结构简单、成本低廉、制作调试方便,基本上能达到所要求的条件。

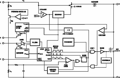
TOPSwitch-GX系列芯片工作原理 --- 图1给出了TOP247Y芯片内部结构图,共有6个引出端,它们分别是控制端C、线路检测端L、极限电流设定端X、源极S、开关频率选择端F和漏极D。利用线路检测端(L)可实现4种功能:过压(OV)保护;欠压(UV)保护;电压前馈(当电网电压过低时用来降低最大占空比);远程通/断(ON/OFF)和同步。而利用极限电流设定端,可从外部设定芯片的极限电流。在每个开关周期内都要检测功率MOSFET漏源极导通电阻Ros(on)上的漏极峰值电流ID(PK),当ID(PK)>ILIMIT时,过电流比较器就输出高电平,依次经过触发器、主控门和驱动级,将MOSFET关断,起到过电流保护作用。 --- 电源启动时,连接在漏极和源极之间的内部高压电流源向控制极充电,在RE两端产生压降,经RC滤波后,输入到PWM比较器的同相端,与振荡器产生的锯齿波电压相比较,产生脉宽调制信号并驱动MOSFET管,因而可通过控制极外接的电容充电过程来实现电路的软启动。当控制极电压Uc达到5.8V时,内部高压电流源关闭,此时由反馈控制电流向Uc供电。在正常工作阶段,由外界电路构成电压负反馈控制环,调节输出级MOSFET的占空比以实现稳压。当输出电压升高时,Uc升高,采样电阻RE上的误差电压亦升高。而在与锯齿波比较后,将使输出电压的占空比减小,从而使开关电源的电压减小。当控制极电压低于4.8V时,MOSFET管关闭,控制电路处于小电流等待状态,内部高压电流源重新接通并向Uc充电,其关断/自动复位滞回比较器可使Uc保持在4.8~5.8V之间。当开关电源的负载很轻时,能自动将开关频率从132kHz降低到30kHz(半频模式下则由66kHz降至15kHz),可降低开关损耗,进一步提高电源效率。
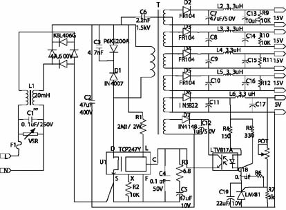
多路输出的开关电源设计 --- 由TOP247Y构成的多路开关电源原理图见图2,其中输出三路200mA、15V的直流电,一路400mA、15V的直流电,以及1A、5V的直流电。多路电源用高频变压器获得多组电压输出,经快速恢复二极管、电容滤波后得到多路直流电源。 --- 当电源输入交流85~265V时,交流电压U依次经过电磁干扰(EMI)滤波器(C1,L1)、输入整流滤波器(KBL406G,C2)获得直流高压UI。UI经过R1接L端,能使极限电流随UI升高而降低。它使用C3,VD型漏极钳位二极管P6KE200A和阻断二极管D1,以替代价格较高的TVS(瞬态电压抑制器),用于吸收在TOP247Y关断时由高频变压器漏感产生的尖峰电压,对漏极起到保护作用。次级电压经过整流、滤波后获得多路输出。其中15V电源输出所用的是快速恢复二极管,其他输出用的二极管是肖特基二极管,其目的是减少整流管的损耗。 --- 该电源采用3枚芯片,包括TOP247Y(U1)、光耦合器LTV817A,以及可调式精密并联稳压管LM431。为减小高频变压器体积和增强磁场耦合程度,次级绕组采用了堆叠式绕法。其稳压原理为,U=UR4+UZ+ULM431。当U发生变化时,如U增加时,流过光耦的电流增大,光耦输出的电流随着增大,流经TOP247Y控制端的电流增加,而占空比则减小,从而U下降,这样达到稳压的目的,反之U减小时也有相同的原理。 --- 可调精密稳压管LM431的内部参考电压为2.495V,输出电压经电位器和R7分压,可调电压在2.5V(基准值)至37V(最大值)之间。R6和C18构成LM431的频率补偿网络。C19为软启动电容。除5V电压外,其余各路输出未加反馈,输出电压均由高频变压器的匝数比来确定。R9~R12是15V输出的假负载,它能降低该路的空载及轻载电压。 --- 另外,为了尽可能减少电磁干扰,在开关电源的输入侧接入共模扼流圈,可以明显改善电磁噪声。而安全电容C6能滤除一次、二次绕组耦合电容产生的共模干扰,电容C1可滤除电网线之间的串模干扰。
高频变压器的设计 --- 该开关电源是一个具有多路输出的直流电源,由高频变压器N个二次绕组经整流滤波后获得。因此开关电源的性能在很大程度上决定于变压器的设计。 --- ● 功率计算 --- 高频变压器的二次绕组有三路15V完全相同的直流输出,另一路15V电压的电流为400mA,5V电压提供给其他的芯片,再加上反馈绕组,故由以上设定条件可知,高频变压器的输出功率为: --- P0=15×0.2×3+15×1×0.4+5×1=20W --- 考虑反馈绕组和裕量,实际选用功率为25W。 --- ● 磁芯的选用 --- 根据参考文献[3]给出的输出功率与磁芯尺寸的关系,本开关电源选用EI-33磁芯,其额定输出频率为25kHz、50kHz和100kHz三种,可以选择其中的一种,磁芯有效截面积Ae=119.3,Le=67.6,Ve=8067.4。 --- ● 绕组匝数的计算 --- 由开关电源设计的特点,在确定功率开关元件MOS管的工作频率时,若工作频率较低,则噪声较大;若工作频率较高,开关损耗将增大,但可使变压器、电容等小型化。因此在确定开关频率时要折衷考虑。设定工作频率为25kHz,ρ=0.5,η=0.94。ρ为PWM调制的占空比,η为变压器的效率。 --- 则原边电感量Lp为:
--- 其中,P0为输出功率,η为变压器的效率,Z为损耗分配因数(通常令Z=0.5),fs为开关频率。 --- 变压器一次绕组电流:
--- 变压器匝数比:
--- 变压器二次绕组匝数:
--- 实取N=9(匝)。 --- 一次绕组匝数:
--- 5V直流输出侧的绕组匝数:
使用TOP247Y的注意事项 --- ● 输入滤波电容C2的负极直接连反馈绕组,以便将反馈绕组上的浪涌电流直接返回到输入滤波电容,以提高抑制浪涌干扰的能力。 --- ● TOP247Y控制端附近的电容应尽可能靠近源极和控制端的引端。S极与C、L、X端过通过一条独立的支路相连,不可共享一条支路。 --- ● S、L、X端的引线与外围相关元件的距离也要尽可能短,并且远离漏极的支路要防止产生噪声耦合。 --- ● 线路检测电阻R1应尽可能接近于L引脚。 结束语 --- 综上所述,采用TOPSwitch-GX系列芯片设计的低功率开关电源,电路结构简单,效率高,成本低。经实验测定,输出电压调整率、负载调整率均在设定范围内,实验结果证明该开关电源是可靠的。 |